造紙設備
制漿設備
碳酸鈣及石灰水處理設備
高濃重質除渣器
TPC平列式雙向除渣器

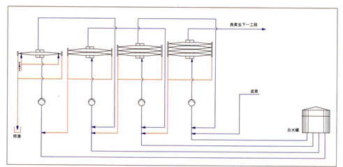
凱瑞公司TPC—CLEANER平列式雙向除渣器是在廣泛吸收國內外先進技術的基礎上開發研制而成的新型高效除渣器。
可廣泛應用于各種紙漿中對細小殘渣的清理與分離.是多種制漿設備配套和技術改造中不可缺少的除渣裝置.特別適用于紙機流送系統。
TPC—CLEANER平列式雙向除渣器采用模塊化的結構設計,平列式安裝,垂直向上組合擴展,其結構簡潔緊湊.可根據用戶對產量需求的不同.組合而成多種組數。
主要特點
采用高耐磨性特殊材質,經久耐用
采用先進的離心凈化技術,效率高,成漿潔凈度高
低壓力降,減少系統動力消耗
排列緊湊,減少占地面積
錐端可視觀察孔,可隨時觀察尾漿情況
封閉式排渣,操作環境更潔凈
分體式結構.便于拆裝和更換
主要技術參數
單只通過量:780L/min
進漿壓力:200—260KPa
良漿壓力:40—60KPa
進漿濃度:0.5—0.9%
工藝流程示意圖

【返回 】
